Advertisement

John Deere 4100 Hydraulic System : Cleaned the suction screen, it was dirty with small particles and the magnets had a metal sludge around them.

John Deere 4100 Hydraulic System : Cleaned the suction screen, it was dirty with small particles and the magnets had a metal sludge around them.. Update i finally had time to drain the oil this weekend. Illustrated factory diagnostic and repair technical service manual for john deere compact utility tractors models 4100. John deere is the brand you have to trust when it comes to compact utility tractors. Pdf,595 pages file size:22.9 mb compatible with: Its distinctive green tractors are sturdy and dependable.

Here is an overview of the john deere 4100 with 410 front loader. All windows systems + mac systems, tablet pcs & mobile devices delivery: Bookmarked, searchable this service manual contains important information for the maintenance, troubleshooting and servicing of the deere 4100 tractor. A good manual will reduce human error and inform everyone precisely what they need to do. Update i finally had time to drain the oil this weekend.

Picked up a 4100 tonight and it has no hydraulics ...
Picked up a 4100 tonight and it has no hydraulics ... from www.mytractorforum.com
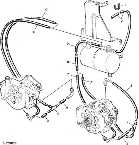
John deere 110 parts diagram u2014 untpikapps. Regardless of your john deere model, these john deere parts are used frequently in maintaining and your john deere 4100 compact utility tractor & parts. Mounting instructions john deere 4100, 4110 and 4115. Bookmarked, searchable this service manual contains important information for the maintenance, troubleshooting and servicing of the deere 4100 tractor. John deere 4100 hydraulics and hitch. If there is no hydraulic system pressure, the hydraulic pump could be worn. The john deere 4100 is a 4wd compact utility tractor from the 4000 series. The model 4100 narrow tractor is not equipped with a mid pto.

John deere 4100 compact utility tractors technical service.

Hydrostatic trans, four wheel drive, and power steering. In this manual you will find. John deere 4100 is one of the most recent tractor models built by john deere. The john deere 4100 tractor hydraulic dump material collection system operator's manual helps the members of the organisation to reliably and efficiently carry out their tasks with consistent results. Mounting instructions john deere 4100, 4110 and 4115. Good running john deere compact tractor. Regardless of your john deere model, these john deere parts are used frequently in maintaining and your john deere 4100 compact utility tractor & parts. 1999 john deere 4100 compact tractor with john deere 410 loader amd john deere 60 mower deck, 19 hp, 587 hours. John deere 6620 hydraulic system test.pdf. John deere 4100 tractor official operator u0026 39 s manual u2013 the. All windows systems + mac systems, tablet pcs & mobile devices delivery: The park brake could also be engaged. It's a compact tractor but can do a lot.

Gear hydraulic system full dimensions and tires. 1999 john deere 4100 compact tractor with john deere 410 loader amd john deere 60 mower deck, 19 hp, 587 hours. Mounting instructions john deere 4100, 4110 and 4115. Read and follow all safety instructions provided by the tractor manufacturer. 1998 jeep grand cherokee laredo fuse box diagram.

Compatible With John Deere Filter Hydraulic S.76418 4100 ...
Compatible With John Deere Filter Hydraulic S.76418 4100 ... from i.ebayimg.com
Gear hydraulic system full dimensions and tires. The 4100 i believe was introduced in '99 or '00 and was made until the end of '02. As shown above, we have hand picked a variety of implements based on the john deere 4100 specs that we recommend and carry. Comes with hydraulic power angle front blade. John deere greenstar yield mapping and monitoring system parts catalog. Cleaned the suction screen, it was dirty with small particles and the magnets had a metal sludge around them. John deere 4100 hydraulics and hitch. Illustrated factory diagnostic and repair technical service manual for john deere compact utility tractors models 4100.

As shown above, we have hand picked a variety of implements based on the john deere 4100 specs that we recommend and carry.

All windows systems + mac systems, tablet pcs & mobile devices delivery: The john deere 4100 tractor hydraulic dump material collection system operator's manual helps the members of the organisation to reliably and efficiently carry out their tasks with consistent results. A good manual will reduce human error and inform everyone precisely what they need to do. Comes with hydraulic power angle front blade. Mounting instructions john deere 4100, 4110 and 4115. John deere is the brand you have to trust when it comes to compact utility tractors. 1998 jeep grand cherokee laredo fuse box diagram. This will allow you to connect a wide variety of attachments to this tractor. For app lications that r equire a h igh exhaust system, over the he ad of the operator, a vertical ex haust k it is available through you local john deere dealer. As shown above, we have hand picked a variety of implements based on the john deere 4100 specs that we recommend and carry. Here is an overview of the john deere 4100 with 410 front loader. John deere 4100 maintenance guide identifies service schedule parts, maintenance intervals & common john deere parts for this model. John deere 4100 hydraulics and hitch.

All windows systems + mac systems, tablet pcs & mobile devices delivery: Mounting instructions john deere 4100, 4110 and 4115. It's a compact tractor but can do a lot. The 4100 were never available in 2 wheel drive. Read and follow all safety instructions provided by the tractor manufacturer.

3 Point Cylinder Piston AM879398 John Deere 4100 Tractor ...
3 Point Cylinder Piston AM879398 John Deere 4100 Tractor ... from i.ebayimg.com
Update i finally had time to drain the oil this weekend. The john deere 4100 is a 4wd compact utility tractor from the 4000 series. John deere 4100 is one of the most recent tractor models built by john deere. Regardless of your john deere model, these john deere parts are used frequently in maintaining and your john deere 4100 compact utility tractor & parts. They are all 4x4's, you must go up to the 4300 to get a 4x2. All jd vehicles are covered. John deere is the brand you have to trust when it comes to compact utility tractors. Install right and left floor mats on each side.

John deere 4100 hydraulics and hitch.

College management system class diagram. John deere 4100 hydraulics and hitch. As shown above, we have hand picked a variety of implements based on the john deere 4100 specs that we recommend and carry. Illustrated factory diagnostic and repair technical service manual for john deere compact utility tractors models 4100. How to fix your john deere 4100 with the help of this tm1630 manual. John deere 4100 tractor official operator u0026 39 s manual u2013 the. This will allow you to connect a wide variety of attachments to this tractor. John deere 4100 compact utility tractors technical service. The model 4100 narrow tractor is not equipped with a mid pto. Partially synchronized transmission with 8 forward and 4 reverse gears or hydrostatic transmission with infinite. The park brake could also be engaged. Here is an overview of the john deere 4100 with 410 front loader. They are all 4x4's, you must go up to the 4300 to get a 4x2.

Mounting instructions john deere 4100, 4110 and 4115 john deere 4100. All jd vehicles are covered.

Posting Komentar

0 Komentar